產品介紹
YZ型油冷擺線針輪電動滾筒
YZ型油冷、油浸式擺線針輪電動滾筒的適用范圍及特點
1、YZ型系列油冷(油浸)式擺線電動滾筒是為帶式輸送機配套理想的驅動裝置,它廣泛應用于礦山、冶金、化工、水泥、碼頭、電廠、糧食、輕工、食品等行業的傳送機械設備上。
2、本產品采用了電機直聯的針齒殼輸出的一級硬齒面擺線針輪減速機構,不僅結構簡單、體積小、傳動比大,而且由于擺線輪、針齒等采用軸承鋼制造,經熱處理硬度達HRC58~62,加之在傳動中為滾動摩擦和多齒嚙合,使之減速機構與漸開線齒輪傳動相比,具有承載能力大、過載能力強,傳動平穩、噪音低、壽命長等優點。
3、采用油浸式電機,可改變其冷卻條件,降低了定子繞組溫升,延長了電機的使用壽命,解決了因滲油而燒壞電機的弊端。
型油冷、油浸式擺線針輪電動滾筒的型號標記
標記示例及選用說明:

1、逆止型滾筒旋轉方向必須面對電機接線盒端觀察,順時針旋轉標注“S”,逆時針旋轉標注“N”,不需逆止時,則不標注滾筒旋轉方向代號。
2、滾筒必須在輸出扭矩范圍內使用,其輸出扭矩按下式計算:
M=500×
式中:M——扭矩(Nm)D——滾筒直徑(m)P——功率(KW)V——帶速(m/S)
YZ型油冷、油浸式擺線針輪電動滾筒的基本參數(直徑315-630mm)
直徑(mm)
功率(kw)
帶寬(mm)
表面線速度(m/s)
質量(kg)
max
315
(320)
0.25
0.32
0.4
0.55
0.63
0.8
1.0
1.25
1.6
2
2.5
1.5
500
·
·
·
·
·
·
·
·
184
650
·
·
·
·
·
·
·
·
195
2.2
500
·
·
·
·
·
·
·
·
·
186
650
·
·
·
·
·
·
·
·
·
196
3
500
·
·
·
·
·
·
215
650
·
·
·
·
·
·
222
800
·
·
·
·
·
·
230
4
500
·
·
·
·
·
·
222
650
·
·
·
·
·
·
230
800
·
·
·
·
·
·
240
400
1.5
500
·
·
·
·
·
·
·
·
·
211
650
·
·
·
·
·
·
·
·
·
220
800
·
·
·
·
·
·
·
·
·
230
2.2
500
·
·
·
·
·
·
·
·
·
215
650
·
·
·
·
·
·
·
·
·
225
800
·
·
·
·
·
·
·
·
·
238
3
500
·
·
·
·
·
·
·
·
·
246
650
·
·
·
·
·
·
·
·
·
258
800
·
·
·
·
·
·
·
·
·
270
4
500
·
·
·
·
·
·
·
·
·
250
650
·
·
·
·
·
·
·
·
·
263
800
·
·
·
·
·
·
·
·
·
275
5.5
500
·
·
·
·
285
650
·
·
·
·
300
800
·
·
·
·
315
, , , ,
直徑(mm)
功率(kw)
帶寬(mm)
表面線速度(m/s)
質量(kg)
500
0.40
0.55
0.63
0.8
1.0
1.25
1.6
2.0
2.5
3.15
1.5
500
·
·
·
·
·
270
650
·
·
·
·
·
284
800
·
·
·
·
·
298
2.2
500
·
·
·
·
·
·
275
650
·
·
·
·
·
·
289
800
·
·
·
·
·
·
303
3
500
·
·
·
·
·
·
·
·
·
320
650
·
·
·
·
·
·
·
·
·
335
800
·
·
·
·
·
·
·
·
·
350
4
500
·
·
·
·
·
·
·
·
·
326
650
·
·
·
·
·
·
·
·
·
341
800
·
·
·
·
·
·
·
·
·
356
5.5
500
·
·
·
·
·
·
·
·
·
390
650
·
·
·
·
·
·
·
·
·
405
800
·
·
·
·
·
·
·
·
·
420
7.5
500
·
·
·
·
·
·
·
·
·
410
650
·
·
·
·
·
·
·
·
·
425
800
·
·
·
·
·
·
·
·
·
440
11
650
·
·
·
·
·
·
·
·
·
500
800
·
·
·
·
·
·
·
·
·
520
15
650
·
·
·
·
·
·
·
·
·
528
800
·
·
·
·
·
·
·
·
·
548
630
5.5
650
·
·
·
·
·
·
·
·
550
800
·
·
·
·
·
·
·
·
575
1000
·<, /div>
·
·
·
·
·
·
·
605
1200
·
·
·
·
·
·
·
·
635
7.5
650
·
·
·
·
·
·
·
·
·
575
800
·
·
·
·
·
·
·
·
·
600
1000
·
·
·
·
·
·
·
·
·
636
1200
·
·
·
·
·
·
·
·
·
675
11
650
·
·
·
·
·
·
·
·
650
800
·
·
·
·
·
·
·
·
678
1000
·
·
·
·
·
·
·
·
720
1200
·
·
·
·
·
·
·
·
765
15
800
·
·
·
·
·
·
·
·
700
1000
·
·
·
·
·
·
·
·
740
1200
·
·
·
·
·
·
·
·
785
18.5
800
·
·
·
·
·
·
·
·
745
1000
·
·
·
·
·
·
·
·
790
1200
·
·
·
·
·
·
·
·
835
1400
·
·
·
·
·
·
·
·
885
22
800
·
·
·
·
·
·
·
·
830
1000
·
·
·
·
·
·
·
·
880
1200
·
·
·
·
·
·
·
·
930
1400
·
·
·
·
·
·
·
·
980
30
800
·
·
·
·
·
·
970
1000
·<, /TD>
·
·
·
·
·
1020
1200
,
·
·
·
·
·
·
1075
1400
·
·
·
·
·
·
1130
YZ型油冷、油浸式擺線針輪電動滾筒的基本參數(直徑800-1000mm)
直徑(mm)
功率(kw)
帶寬(mm)
表面線速度(m/s)
質量(kg)
max
800
0.55
0.63
0.8
1.0
1.25
1.6
2.0
2.5
3.15
5.5
1000
·
·
·
·
·
765
1200
·
·
·
·
·
800
1400
·
·
·
·
·
840
7.5
1000
·
·
·
·
·
·
·
·
785
1200
·
·
·
·
·
·
·
·
825
1400
·
·
·
·
·
·
·
·
865
11
1000
·
·
·
·
·
·
·
865
1200
·
·
·
·
·
·
·
905
1400
·
·
·
·
·
·
·
960
15
1000
·
·
·
·
·
·
·
942
1200
·
·
·
·
·
·
·
992
1400
·
·
·
·
·
·
·
1042
直徑(mm)
功率(kw)
帶寬(mm)
表面線速度(m/s)
質量(kg)
max
800
0.63
0.8
1.0
1.25
1.6
2.0
2.5
3.15
4.0
18.5
1000
·
·
·
·
·
·
·
992
1200
·
·
·
·
·
·
·
1045
1400
·
·
·
·
·
·
·
1098
22
1000
·
·
·
·
·
·
·
1085
1200
·
·
·
·
·
·
·
1140
1400
·
·
·
·
·
·
·
1195
30
1000
·
·
·
·
·
1235
1200
·
·
·
·
·
1290
1400
·
·
·
·
·
1340
37
1000
·
·
·
·
·
1335
1200
·
·
·
·
·
1390
1400
·
·
·
·
·
1445
45
1000
·
·
·
·
·
·
1810
1200
·
·
·
·
·
·
1900
1400
·
·
·
·
·
·
1960
55
1000
·
·
·
·
·
1950
1200
·
·
·
·
·
2010
1400
·
·
·
·
·
2070
1000
15
1000
·
·
·
·
·
1145
1200
·
·
·
·
·
1205
1400
·
·
·
·
·
1265
18.5
1000
·
·
·
·
·
1200
1200
·
·
·
·
·
1260
1400
·
·
·
·
·
1320
22
1000
·
·
·
·
·
1295
1200
·
·
·
·
·
1370
1400
·
·
·
·
·
1435
30
1000
·
·
·
·
·
1455
1200
·
·
·
·
·
1520
1400
·
·
·
·
·
1590
87
1000
·
·
·
·
·
·
1560
1200
·
·
·
·
·
·
1630
1400
·
·
·
·
·
·
1700
45
1200
·
·
·
·
·
·
2250
1400
·
·
·
·
·
·
2325
55
1200
·
·
·
·
·
2360
1400
·
·
·
·
·
2410
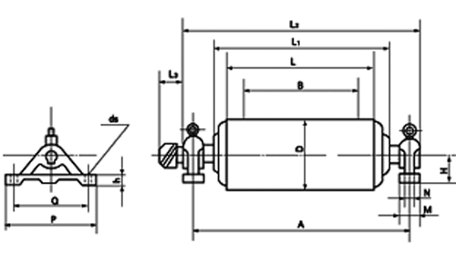
YZ型油冷、油浸式擺線針輪電動滾筒的外形安裝尺寸

D
B
A
L
L1
L2
H
M
N
P
Q
ds
h
L3
315
(320)
500
850
600
≤732
940
120
90
-
340
280
27
35
95
650
1000
750
≤882
1090
800
1300
950
≤1032
1390
400
500
850
600
≤744
940
120
90
_
340
280
27
35
95
650
1000
750
≤894
1090
800
1300
950
≤1044
1390
500
500
850
600/620
≤748
960
100
07
_
340
280
27
35
115
650
1000
750
≤900
1120
120
90
800
1300
950
≤1100
1420
120
90
630
650
1000
750
≤868
1120
120
90
_
340
280
27
35
≤140
800
1300
950
≤1068
1430
140
130
80
400
330
27
35
1000
1500
1150
≤1268
1630
140
130
80
400
330
27
35
1200
1750
1400
≤1514
1900
160
160
90
440
360
34
50
1400
2000
1600
≤1720
2150
160
160
90
440
360
34
50
800
1000
1500
1150
≤1268
1630
140
145
80
400
330
27
35
≤140
1200
1750
1400
≤1514
1900
160
160
90
440
360
34
50
1400
2000
1600
≤1720
2150
160
160
90
440
360
34
50
1000
1000
1500
1150
≤1268
1630
140
145
80
400
330
27
35
≤140
1200
1750
1400
≤1514
1900
160
160
90
440
360
34
50
1400
2000
1600
≤1720
2150
160
160
90
440
360
34
50
| YZ型油冷擺線針輪電動滾筒 | |||||||||||||||||||||||||||||||||||||||||||||||||||||||||||||||||||||||||||||||||||||||||||||||||||||||||||||||||||||||||||||||||||||||||||||||||||||||||||||||||||||||||||||||||||||||||||||||||||||||||||||||||||||||||||||||||||||||||||||||||||||||||||||||||||||||||||||||||||||||||||||||||||||||||||||||||||||||||||||||||||||||||||||||||||||||||||||||||||||||||||||||||||||||||||||||||||||||||||||||||||||||||||||||||||||||||||||||||||||||||||||||||||||||||||||||||||||||||||||||||||||||||||||||||||||||||||||||||||||||||||||||||||||||||||||||||||||||||||||||||||||||||||||||||||||||||||||||||||||||||||||||||||||||||||||||||||||||||||||||||||||||||||||||||||||||||||||||||||||||||||||||||||||||||||||||||||||||||||||||||||||||||||||||||||||||||||||||||||||||||||||||||||||||||||||||||||||||||||||||||||||||||||||||||||||||||||||||||||||||||||||||||||||||||||||||||||||||||||||||||||||||||||||||||||||||||||||||||||||||||||||||||||||||||||||||||||||||||||||||||||||||||||||||||||||||||||||||||||||||
|
YZ型油冷、油浸式擺線針輪電動滾筒的適用范圍及特點 1、YZ型系列油冷(油浸)式擺線電動滾筒是為帶式輸送機配套理想的驅動裝置,它廣泛應用于礦山、冶金、化工、水泥、碼頭、電廠、糧食、輕工、食品等行業的傳送機械設備上。 2、本產品采用了電機直聯的針齒殼輸出的一級硬齒面擺線針輪減速機構,不僅結構簡單、體積小、傳動比大,而且由于擺線輪、針齒等采用軸承鋼制造,經熱處理硬度達HRC58~62,加之在傳動中為滾動摩擦和多齒嚙合,使之減速機構與漸開線齒輪傳動相比,具有承載能力大、過載能力強,傳動平穩、噪音低、壽命長等優點。 3、采用油浸式電機,可改變其冷卻條件,降低了定子繞組溫升,延長了電機的使用壽命,解決了因滲油而燒壞電機的弊端。 型油冷、油浸式擺線針輪電動滾筒的型號標記 標記示例及選用說明:
1、逆止型滾筒旋轉方向必須面對電機接線盒端觀察,順時針旋轉標注“S”,逆時針旋轉標注“N”,不需逆止時,則不標注滾筒旋轉方向代號。 2、滾筒必須在輸出扭矩范圍內使用,其輸出扭矩按下式計算: M=500× 式中:M——扭矩(Nm)D——滾筒直徑(m)P——功率(KW)V——帶速(m/S) YZ型油冷、油浸式擺線針輪電動滾筒的基本參數(直徑315-630mm)
, , , ,
YZ型油冷、油浸式擺線針輪電動滾筒的基本參數(直徑800-1000mm)
YZ型油冷、油浸式擺線針輪電動滾筒的外形安裝尺寸
| |||||||||||||||||||||||||||||||||||||||||||||||||||||||||||||||||||||||||||||||||||||||||||||||||||||||||||||||||||||||||||||||||||||||||||||||||||||||||||||||||||||||||||||||||||||||||||||||||||||||||||||||||||||||||||||||||||||||||||||||||||||||||||||||||||||||||||||||||||||||||||||||||||||||||||||||||||||||||||||||||||||||||||||||||||||||||||||||||||||||||||||||||||||||||||||||||||||||||||||||||||||||||||||||||||||||||||||||||||||||||||||||||||||||||||||||||||||||||||||||||||||||||||||||||||||||||||||||||||||||||||||||||||||||||||||||||||||||||||||||||||||||||||||||||||||||||||||||||||||||||||||||||||||||||||||||||||||||||||||||||||||||||||||||||||||||||||||||||||||||||||||||||||||||||||||||||||||||||||||||||||||||||||||||||||||||||||||||||||||||||||||||||||||||||||||||||||||||||||||||||||||||||||||||||||||||||||||||||||||||||||||||||||||||||||||||||||||||||||||||||||||||||||||||||||||||||||||||||||||||||||||||||||||||||||||||||||||||||||||||||||||||||||||||||||||||||||||||||||||||

a>